EBOOK
  • Dmca
  • Contact
  • Privacy Policy
  • Copyright

Massey Ferguson Baler Model 124 Parts Diagram Pdf

Https Open Alberta Ca Dataset Ca8ff760 A74f 4ef4 B39e 84e3a2d64cde Resource Fa8912bf 55e4 4c57 84bf 62900d75f225 Download 235 Afmrc Pdf

Https Open Alberta Ca Dataset Ca8ff760 A74f 4ef4 B39e 84e3a2d64cde Resource Fa8912bf 55e4 4c57 84bf 62900d75f225 Download 235 Afmrc Pdf

Mf 1840

Mf 1840

61d84 Massey Ferguson Parts Manual Only Wiring Library

61d84 Massey Ferguson Parts Manual Only Wiring Library

235 Massey Ferguson Model 124 Baler 1981 Manualzz

235 Massey Ferguson Model 124 Baler 1981 Manualzz

Massey Ferguson 120 124 126 128 And 130 Baler Parts Manual

Massey Ferguson 120 124 126 128 And 130 Baler Parts Manual

Massey Ferguson Mf 124 Twine Baler Operator S Manual
Massey Ferguson Mf 300 340t 400t 440t 400wt 440wt Ski Whiz Parts
Tractor Parts Massey Ferguson Trusty Tractor
Massey Ferguson Mf 124 Twine Baler Operator S Manual
2
Massey Ferguson 124 Baler Parts Manual
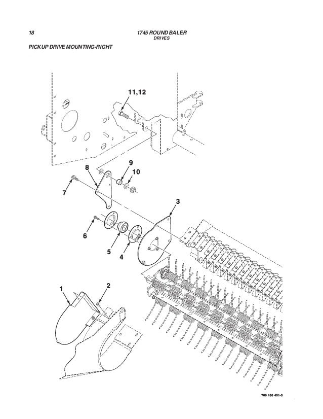
Massey Ferguson 1745 Round Baler Parts Book
Massey Ferguson Baler 160f S Sl Slr Parts Manual Auto Repair
Agco Massey Ferguson Us Parts Catalog Workshop Manual 01 2020
Massey Ferguson 1745 Round Baler Parts Book
Massey Ferguson Mf 10 Baler Parts Manual By David Nan Issuu
Massey Ferguson Mf 160 205 Spreader Parts Manual 651276m92 Pdf By
Mf 124 Square Baler Manual
Massey Ferguson Epc Parts Manuals For All Model The Best Manuals
599 Massey Ferguson Model 9 Baler Manual Wiring Library
Agco Massey Ferguson Na 03 2020 Part Books Workshop Service
786c7 Massey Ferguson 224 Baler Manual Wiring Library
269d4c1 Massey Ferguson Parts Manuals Pdf Wiring Library
Massey Ferguson 175 Diesel Wiring Diagram Diagram Base Website
Massey Ferguson 124 Baler Service Manual
Massey Ferguson 124 Knoter Action Youtube
169219 Massey Ferguson Mf 6130 Tractor Service Repair Manual
Massey Ferguson 120 124 And 128 Baler Service Manual Farm
Download And Read New Holland Hay Baler Operators Manual 654
Agco Massey Ferguson Europe Parts Books 05 2019 Auto Repair
Diagram Mrna Diagram Full Version Hd Quality Diagram Search
Pin On Earwalnade
Massey Ferguson Epc Parts Manuals For All Model The Best Manuals
Massey Ferguson Mf 4840 4880 Tractors Parts Manual Pdf
Massey Ferguson 1838 For Sale 8 Listings Tractorhouse Com
Massey Ferguson 124 Baler Parts Manual
Hesston 540 Round Baler Parts Manual F700709809 Pdf
Massey Ferguson 124 Baler Service Manual
Https Encrypted Tbn0 Gstatic Com Images Q Tbn 3aand9gctvekxx8ootpzq55ay4wxrsitle22579us0vibk Sxx4bwfuggc Usqp Cau
Massey Ferguson 35 Owners Manual
Massey Ferguson Mf 6270 6280 6290 Tractor Parts Manual 653552m91
Massey Ferguson 4345 Service Manual
25e3dab Free Mf 124 Baler Manual Wiring Library
Massey Ferguson 124 Baler Parts Manual
Agco Massey Ferguson Europe Uk 03 2020 Part Books Workshop
Massey Ferguson Amerika Serikat Suku Cadang 2020 Massey Ferguson
Massey Ferguson 124 Baler Operators Manual
Service Manual Mf 120 Baler Pdb Tutorial
Free Massey Ferguson 124 Baler Manual
Agco Massey Ferguson Europe Parts Catalog Workshop Service
Massey 128 Square Baler Manual Free Google Ipad Treatments
Hesston 5580e Round Baler Parts Manual F700702935 Pdf
Massey Ferguson 165 168 Workshop Manual 1856028m2 Farmingparts Com
Massey Ferguson Parts Service Manuals
Massey Ferguson 124 Knoter Action Youtube
Massey Ferguson 1745 Round Baler Parts Book
Massey Ferguson 120 124 126 128 And 130 Baler Parts Manual
26b Massey Ferguson Parts Manual Online Wiring Library
8nvbj3
Massey Ferguson 124 Baler Service Manual
Agco Massey Ferguson Na 03 2020 Part Books Workshop Service
Http Pami Ca Pdfs Reports Research Updates 4a 20balers 20and 20baler 20attachments 134 Pdf
Massey Ferguson 128 Baler Service Manual
599 Massey Ferguson Model 9 Baler Manual Wiring Library
Massey Ferguson Mf 282 Tractor Parts Manual Pdf Pdf Document
Massey Ferguson 1745 Round Baler Parts Book
Massey Ferguson Eu Parts Books Service Manuals 2019
Agco Massey Ferguson Us Parts Catalog Workshop Manual 01 2020
Massey Ferguson Baler 162f Sl Slr Parts Manual Auto Repair
Massey Ferguson 1745 Round Baler Parts Book
Massey Ferguson 124 Baler Parts Catalog Youtube
Agco Massey Ferguson Na 03 2020 Parts Books Workshop Service
Massey Ferguson Parts Manual Catalogue Pdf For Mf Tractor
Agco Massey Ferguson Us Parts Catalog Workshop Manual 01 2020
Massey Ferguson Baler 160f S Sl Slr Parts Manual Auto Repair
Massey Ferguson Epc Parts Manuals For All Model The Best Manuals
Massey Ferguson Mf 255 Mf 265 Mf 275 Tractor Manual
Massey Ferguson Eu Parts Books Service Manuals 2019
Hesston 540 Round Baler Parts Manual F700709809 Pdf
Ts1jqufvtrqd8m
Massey Ferguson Mf 124 Twine Baler Operator S Manual
075927 Mf 10 Baler Service Manual Wiring Library
Massey Ferguson 120 124 And 128 Baler Service Manual Farm
Massey Ferguson 120 Baler Parts Manual
Yv 9923 Massey Ferguson 4270 Tractor On 165 Massey Ferguson
Massey Ferguson Trucks Tractor Forklift Manual Pdf
Agco Massey Ferguson Europe Parts Catalog Workshop Service
Hesston 5580e Round Baler Parts Manual F700702935 Pdf
Massey Ferguson Mf 81 Haytender Mf81 Hay Tender Operating Manual
Massey Ferguson 120 124 126 128 And 130 Balers Manual Farm
80b0fd Massey Ferguson Parts Manual Online Wiring Library
Claas Rollant 46 Round Baler Parts Manual 186226 5 Pdf Pdf
Massey Ferguson Parts Service Manuals
Massey Ferguson 124 Baler Service Manual
Massey Ferguson 124 Square Baler Operator 39 S Manual Mafiadoc Com
Massey Ferguson Mf 3090 Tractor Parts Manual Pdf By Nana Hong Issuu
Massey Ferguson Mf 282 Tractor Parts Manual Pdf Pdf Document
Q0fgnsg8dowhjm
Cardboard Baler Diagram Diagram Base Website Baler Diagram
Massey Ferguson 120 124 And 128 Baler Service Manual Farm
Massey Ferguson Mf 491 T2 Tractor 651770m94 Pdf By David Nan Issuu

Random Posts

  • Machine Tool Practices 9th Edition Pdf
  • Mf 8480 Owners Manual Pdf
  • Free Pdf Their Island Home Later
  • Get Clarion Db328r Manual Pdf
  • Manufacturing Planning And Control Systems Vollmann Pdf
  • Wrat 3 Administration Manual Pdf
  • Origen And Scripture The Contours Of The Exegetical Life Pdf
  • Ojibwe Beading Patterns Pdf
  • Trane Xe90 Repair Manual Pdf
  • Free Pdf Medstudy Internal Medicine
Dmca Contact Privacy Policy Copyright

Download Or Reading Online Free Pdf Medstudy Internal Medicine Here